
智慧型複合式雙效節能機
何為雙效
雙效節能機是一台可同時製熱及製冷的高科技機組,在使用冷氣冰水時同時也可以製作SPA或游泳池所需熱水。
如何節能
在製造冷熱水同時不需其餘加熱設備,取代現有製造熱水的設備如鍋爐等,且可省下大筆的燃料費用,安全又環保。
複合式雙效節能機市場分析

能源效率分析

產品特性
- 同時提供室內所需之冷氣與熱水最高將可節省50~80%左右龐大燃料費用。
- 冷(熱)水提供全自動容量控制,不需額外複雜的外部控制装置。
- 冷(熱)水機組為一機多功能安全可靠之設備,完全無工業安全及環保污染源發生之顧慮。
- 一年四季提供自來水進水溫度18℃加熱至機組出水63℃之功能。
- 依室內使用區域需求的不同,機組開機後,由供冷信號或供熱信號所提供之訊息,機組可自動切換如下5個運轉模式:
只提供冷水單一運轉(室內空調用)
熱回收運轉,冷水能力=熱水能力(同時提供滿載之空調及滿載之熱水量)
熱回收運轉,冷水能力>熱水能力(同時提供滿載之空調,但熱水減量)
熱回收運轉,冷水能力<熱水能力(同時提供滿載之空調,但冷水減量)
只提供熱水單一運轉(室內熱水用)
人機介面操作特點
(一)可選擇操作模式
人機開、停機模式:可於人機介面上直接做開機及停機功能。
遠控模式:(1)由遠方透過RS-485通信介面。(2)由還方以ON/OFF接點方式做開、停機功能。
行事暦模式:可依月、週、日、時、分於人機介面上預設開、停機模式。
冷(熱)水運轉模式:依負載需求同時設定爲冷(熱)水模式或單一冷氣運轉,亦或單一熱水運轉。
(二)可設定控制參數
冰水工作溫度設定℃
冰水復歸溫度設定℃
熱水工作溫度設定℃
熱水復歸溫度設定℃
(三)可顯示控制參數
冰水進水溫度℃
冰水出水温度℃
熱水出水溫度℃
冷卻水進水溫度℃
儲存桶溫度℃
環境温度℃
冷凝壓力值kgf/cm2
蒸發壓力值kg/cm2
消耗功率kw
累計仟瓦特kwh
壓縮機排氣溫度℃
(四)運轉資料記錄
開機累計次數
開機累計時間
異常記錄(最近發生20筆)
(五)運轉狀態顯示
主機狀態
壓縮機運轉狀態
壓縮機運轉容量
冷卻水泵狀態
冰水泵狀態
熱水泵狀態
盤管風扇狀態
複合電力錶狀態
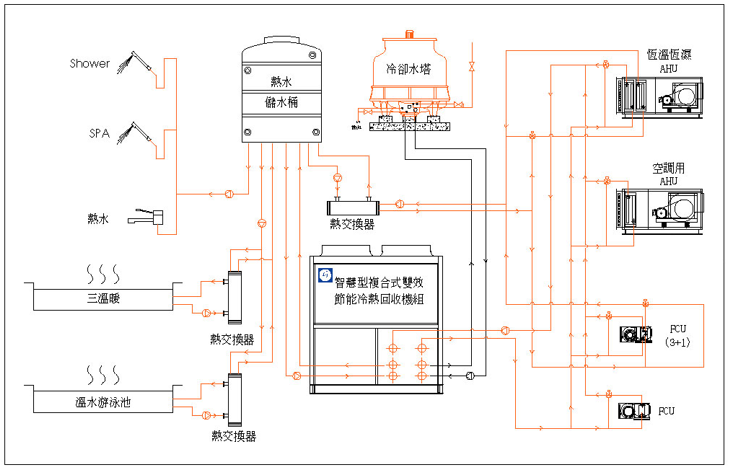
複合式主機運轉系統圖

產品型號圖示
單機SWSH-040SC SWSH-050SC

單機SWSH-060SC

雙機SWSH-080DC SWSH-100DC

雙機SWSH-120DC

規範表

註1.以上熱回收系統數據條件為入水溫度12℃,出水溫度7℃,熱水入水溫度35℃,出水溫度40℃。
註2.本機組可運轉在單獨製冷、單獨製熱及同時製冷製熟,可全年度、全時段、冷水熱水不對等雙效任意比例的混合應用。
註3.本公司保有變更設計之權力,型錄内容若有變更,恕不另行通知。
運轉性能表

